
ÓÃÓÚËéÌú¡¢¸Ö²ÄµÈµÄ°áÔË¡¢×°Ð¶×÷Òµ¡£
LM-SZGϵö¾ÙÐÐװж×÷ÒµµÄͨµçÒ»Á¬ÂÊ´ï75£¥£¨ED75£¥£©£¬ÐÝϢʱ¼ä½ÏÉÙ£¬Ìá¸ßÁË×÷ÒµËÙÂÊ¡£
ÈôÊÇÆ¾Ö¤Í¨µçÒ»Á¬ÂÊ50%ʹÓõϰ£¬Æð´ÅÁ¦µÄÏ÷ÈõÁ¿ºÜÉÙ£¬ÒÔÊÇÆðµõÁ¿Óë±ê×¼¹æ¸ñÏà±È¿ÉÒÔÌáÉý15¡«30%£¬Ìá¸ßÁË ¡¡ ×÷ҵЧÂÊ£¬ºÄµçÁ¿Ò²¿ÉÒÔÏ÷¼õ13¡«23%¡£

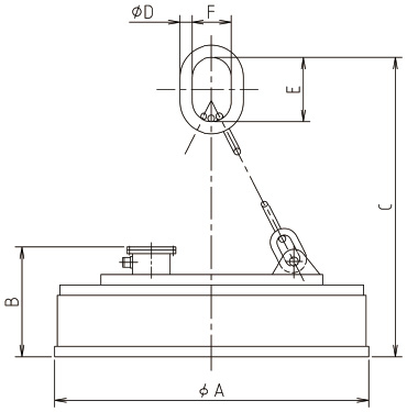
| ¹æ¸ñ | ³ß¡¡´ç(mm) | ÆðÖØÄÜÁ¦(kg) | |||||||||
| ÐͺŠ| ¹¦ÂÊ(kW) | µçÁ÷(A) | ÖØÁ¿(kg) | A | B | C | D | E | F | ÉúÌú¿é | Ëé¡¡Ìú |
| LM13SZG | 11.9 | 53.9 | 2250 | 1340 | 526 | 1297 | 50 | 250 | 175 | 1000¡«1600 | 700¡«1100 |
| LM15SZG | 14.0 | 63.7 | 3200 | 1530 | 561 | 1471 | 55 | 290 | 190 | 1400¡«2200 | 950¡«1400 |
| LM16SZG | 14.9 | 67.9 | 3850 | 1660 | 588 | 1666 | 60 | 350 | 210 | 1600¡«2500 | 1100¡«1700 |
| LM18SZG | 18.5 | 84.3 | 5000 | 1810 | 632 | 1728 | 70 | 370 | 230 | 1950¡«3000 | 1300¡«2000 |
| LM19SZG | 19.0 | 86.5 | 5850 | 1930 | 647 | 1743 | 70 | 370 | 230 | 2000¡«3400 | 1500¡«2300 |
| LM21SZG | 23.7 | 107.6 | 7800 | 2160 | 667 | 1968 | 80 | 400 | 250 | 2500¡«4000 | 1800¡«2600 |
×¢ÖØ£©£±.¶î¶¨220V¡¢ED75%(ÂÁÏßȦ)¡¡
£².ÆðÖØÄÜÁ¦£¬»áƾ֤ÖÊÁϵIJÄÖÊ¡¢ÐÎ×´¡¢Èº¼¯×´Ì¬µÈ±¬·¢×ª±ä¡£¡¡
»¦¹«Íø°²±¸ 31010602006294ºÅ
|
ÊÖÒÕÖ§³Ö£º¼¯½õ¿Æ¼¼