
¡¤ÓÃÓÚ»º½â¼°ÎüÊÕ×°±¸Ëù±¬·¢µÄ¹¥»÷Õñ¶¯¡£
¡¤ÓÃÓÚ±ÜÃâϸÃÜ×°±¸ÒòÕñ¶¯ËùÔì³ÉµÄÓ°Ïì¡£
¡¤ÓÃÓÚ¸ÄÉÆÊÂÇ鳡ºÏµÄÔëÉùÓëÕñ¶¯¡£
¡¤ÓÃÓÚ¸ÄÉÆ¶Ô¹¤³§ÖܱߵÄÕñ¶¯ÔëÉùÓ°Ïì
¡¤ÓÃÓÚ±ÜÃâÖ÷Ҫװ±¸Êܵض¯×ÔÈ»ÔÖÄÑÒýÆðµÄËðº¦
¡¤±£»¤Ö÷Ҫװ±¸ÃâÊÜÕñ¶¯Ó°Ï죬¸ÄÉÆÊÂÇ鳡ºÏ¼°ÖܱßÇéÐÎ
¡¤ÎüÊÕÕñ¶¯Ð§¹ûÏÔ×Å,ʵ²âÊý¾ÝÏÔʾ±ÈδʹÓÃʱ¿ÉïÔÌ20dB¡£
¡¤ÓëÒ»Âɹæ¸ñ·ÀÕñµ¯ÐÔÌåÏà½ÏÁ¿£¬·ÀÕñÐÔÄÜÓÅÔ½1.5±¶ÒÔÉÏ
¡¤³¤ÆÚÄÍÓÃÐÔÓÅÔ½£¬¾ßÓÐÓÅÔ½µÄÄÍÓÍ¡¢ÄÍÈÈ¡¢ÄͺòÐÔ¡£
¡¤×°ÖÃÕûÌå¸ß¶ÈµÍ¡¢ÎȹÌÐÔÓÅÒì¡£
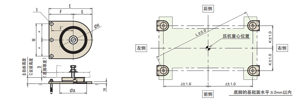
¡¤×°ÖÃÓëµ÷½âÀû±ã





»¦¹«Íø°²±¸ 31010602006294ºÅ
|
ÊÖÒÕÖ§³Ö£º¼¯½õ¿Æ¼¼